English | 中文    

相贯线切割机如何编程


Updating Time: 2020-4-21  1666  


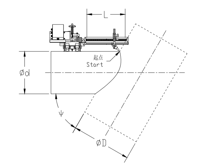
        新戈派相贯线切割机无需编程,可直接输入参数,相贯线切割机自动实现编程。如下图,对于两管切割相贯线模型,只要录入支管直径d,支管壁厚t,支管和母管夹角fi,以及母管直径D 即可由新戈派控制系统实现自动编程。操作者简单培训即可上岗。

相贯线切割机编程

快速留言